Creating and Manipulating Models | ![]() ![]() |
Addition and Subtraction
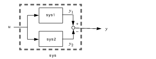
Adding LTI models is equivalent to connecting them in parallel. Specifically, the LTI model
sys = sys1 + sys2
represents the parallel interconnection shown below.
If sys1
and sys2
are two state-space models with data and
, the state-space data associated with
sys1
+ sys2
is
Scalar addition is also supported and behaves as follows: if sys1
is MIMO and sys2
is SISO, sys1
+ sys2
produces a system with the same dimensions as sys1
whose ijth entry is sys1(i,j)
+ sys2
.
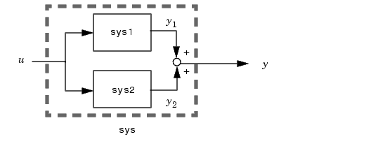
Similarly, the subtraction of two LTI models
sys = sys1 - sys2
is depicted by the following block diagram.
![]() | Arithmetic Operations | Multiplication | ![]() |